+86 13176764200
13176764200@163.com
周一-周五 9:00-20:00
首页
关于我们
产品展示
自卸车配件
挖掘机配件
推土机配件
装载机配件
其他配件
展会中心
新闻中心
公司动态
行业资讯
联系我们
+86 13176764200
中文
中文
English
Русский
产品详情
当前位置:
首页
>
产品展示
>
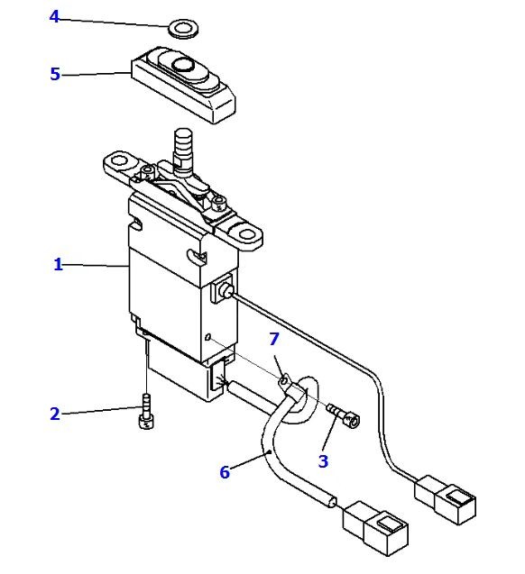
小松矿卡HD785控制杆702-16-02190
小松矿卡HD785控制杆702-16-02190
小松矿卡HD785控制杆702-16-02190
零件号
702-16-02190
适用机型
发动机型号
HD605 HD785 HD1500 HM400
产品品质
原厂/OEM
产品价格
面议
产品简介
【小松原厂】HD785矿卡 操纵杆 控制杆 操作杆 总成 702-16-02190小松原装控制杆(702-16-02190)是HD785矿用自卸卡车操控系统的核心枢纽。它将驾驶员的指令转化为设备液压系统的精确动作,直接关系到整车的操控性能、作业效率与驾驶安全。选择原厂部件,就是选择零妥协的操控质感与极致的可靠性。
在线留言
内容详情
文章推荐
济宁瑟科赛思热烈祝贺进口全球智能制造基地开工仪式圆满举行
2023/8/24
济宁瑟科赛思机械设备有限公司主营小松(KOMATSU)、山推(SHANTUI)、卡特(CAT)等国际知名品牌的全系列产品的零部件
2024/11/21
雄厚研发底蕴,赋能小松配件匠心制造
2025/3/5
深耕小松挖掘机配件多年,专注原厂品质与定制服务
2025/3/12
专业小松配件供应,品质过硬,稳定耐用
2025/4/20
多仓联动,现货充足!小松配件,标准化管控,多仓覆盖速达全国
2025/6/15
为巴西客户定做PC2000-11全车液压管路。
2025/7/12
推土机冒黑烟没劲什么原因?
2025/7/12
为您推荐
空滤总成 Element Ass'y 600-185-5100
滤芯 Filter 600-319-4540
滤芯 Filter 600-319-3841
在线留言
自卸车配件
挖掘机配件
推土机配件
装载机配件
其他配件
提交信息
产品解决方案
Product Solutions
我们致力于为客户提供完善的产品解决方案,客户提供零件号或者车型,可以按原厂的工艺标准定制产品。
联系我们
为巴西客户定做PC2000-11全车液压管路
客户至上、细心服务、快速保障、恪守承诺
英国客户寻找PC75UU-2全车销轴和衬套,但是无人回复,我公司为其定做并在10个工作日交货。
俄罗斯客户需要D355A-3推土机平衡梁支撑,零件号为195-50-11133,客户不能接受原厂价格且又没有国产配件,经沟通,客户认可我公司定制开发方案,价格仅为原厂三分之一。
想要与我们合作吗?
点击按钮
免费咨询
在线留言